LED 120 MARINE LANTERN
LED 120 MARINE LANTERN
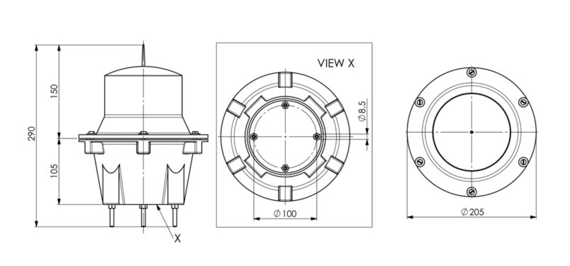
The LED120 Marine Lantern system has been designed for applications where a very small signalling system is required.
The system is formed by new lantern with 120 mm clear polycarbonate lens and reinforced nylon base, fixed together with locking screws.
The internal electrical light system is composed by a programmable flasher and light emitters diodes.
The LED120 Marine Lantern signalling system can be applied on poles, docks or small buoys or can be modified for other applications.
FLOATEX SRL
Since 1976 FLOATEX pioneers the application of rotomoulded products and technology in the offshore fields
