120 SEC MARINE LANTERN
120 SEC MARINE LANTERN
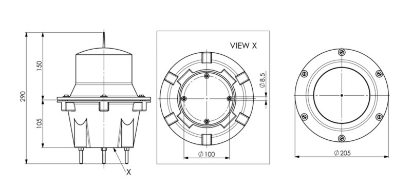
The 120SEC-3 Marine Lantern system has been designed for applications where a complete small signalling system is required.
The system is formed by new lantern with 120 mm clear polycarbonate lens and reinforced nylon base, fixed together with locking screws.
The internal electrical light system is composed by a 6 light emitters diodes, simple flasher, sunswitch, battery and solar power module.
It has a small solar panel on the top of the lantern and has an internal battery.
The 120SEC-3 Marine Lantern signalling system can be applied on poles, docks or small buoys.
FLOATEX SRL
Since 1976 FLOATEX pioneers the application of rotomoulded products and technology in the offshore fields
